Brilliant 180v Dc Motor Speed Controller Circuit Diagram 1997 Nissan Sentra Fuse Box

Brushed Dc Motor Control Mosfet Selection Electrical Engineering Stack Exchange
Brushed Dc Motor Control Mosfet Selection Electrical Engineering Stack Exchange

Ac motor speed control board. 0 1 uf 400v capacitor. Pressure enthalpy diagram for refrigerant r12. A circuit which enables a user to linearly control the speed of a connected motor by rotating an attached potentiometer is called a motor speed controller circuit. Motor driver using tc4424. Few other dc motor speed control circuit you may be interested in. Vary the voltage applied to the armature vary the speed. 2 run to the shunt field current 2 run to the armature. Another interesting feature of this circuit is its capability of sustaining and balancing optimal torque even at lower speeds. Prelim 1 dressage test diagram.

You can able to access this free pcb layout without any cost.

Great for torque at all speeds 4 wires to the motor. You can able to access this free pcb layout without any cost. A circuit which enables a user to linearly control the speed of a connected motor by rotating an attached potentiometer is called a motor speed controller circuit. Dc motor with armature voltage dc motor control. Pressure enthalpy diagram for refrigerant r12. 3 easy to build speed controller circuits for dc motors are presented here one using mosfet irf540 second using ic 555 and the third concept with ic 556 featuring torque processing.


Few other dc motor speed control circuit you may be interested in. 0 1 uf 400v capacitor. Motor driver using tc4424. 2 run to the shunt field current 2 run to the armature. H bridge motor control circuit using l298. Dc motor speed controller circuit. The circuit also provides an instant bidirectional stop and reversal of the motor rotation by a single flick of a given switch. Here s a simple pwm based motor speed controller circuit which can be used for controlling a treadmill speed right from zero to maximum. The most striking feature of this circuit is its ability to provide full torque even at minimum motor speeds. Ac input and output connector.


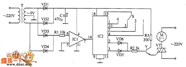
This motor speed control circuit diagram contains few components such as. Motor driver using tc4424. Great for torque at all speeds 4 wires to the motor. Some have 2 wires that are part of a thermal protective circuit. Here s a simple pwm based motor speed controller circuit which can be used for controlling a treadmill speed right from zero to maximum. 3 easy to build speed controller circuits for dc motors are presented here one using mosfet irf540 second using ic 555 and the third concept with ic 556 featuring torque processing. The speed is controlled through an externally applied varying dc voltage source. On the other hand when the wiper arm of vr1 is at the bottom position c1 charges through r1 r2 and vr1 and discharges via r2. Vary the voltage applied to the armature vary the speed. 2 run to the shunt field current 2 run to the armature.


Therefore the motor speed is slow. Motor driver using tc4424. This motor speed control circuit diagram contains few components such as. Vary the voltage applied to the armature vary the speed. Few other dc motor speed control circuit you may be interested in. Ac motor speed control board. When the wiper arm of potmeter vr1 is in top position capacitor c1 charges through r1 r2 and d1 and produces a pulse train at the output of ic1 with long negative and short positive pulse widths. Speed control for pcb drill. Ac input and output connector. 0 1 uf 400v capacitor.


Motor driver using tc4424. 0 1 uf 400v capacitor. Not all 4 wire motors are armature voltage controlled. When the wiper arm of potmeter vr1 is in top position capacitor c1 charges through r1 r2 and d1 and produces a pulse train at the output of ic1 with long negative and short positive pulse widths. Pressure enthalpy diagram for refrigerant r12. Ac motor speed control board. H bridge motor control circuit using l298. 2 run to the shunt field current 2 run to the armature. Pwm motor speed control circuit. Working of ac motor controller.


Ac input and output connector. Motor driver using tc4424. Pwm motor speed control circuit. 0 1 uf 400v capacitor. Dc motor speed controller circuit. Dc motor with armature voltage dc motor control. Ac motor speed control board. The speed is controlled through an externally applied varying dc voltage source. Few other dc motor speed control circuit you may be interested in. You can able to access this free pcb layout without any cost.